Предисловие Думаю каждый меломан автомобилист захочет иметь у себя в авто качественную аудио систему. Рассмотрим ситуацию воспроизведения НЧ частот, хм, одна мысль – без саба никуда! И если саб сможет с желанием собрать почти каждый (например на всем известном 75ГДН или на любой|какой-нибудь| другой НЧ головке), то с усилителем дела идут значительно тяжелее. Качественный, достаточно мощный усилитель что сможет раскачать саб стоит достаточно дорого (довольно сомнительные аппараты стоят не менее 80$). Поэтому попробую помочь в создании достаточно качественного и мощного автомобильного моноблока. Усилитель содержит 4 блока – усилитель мощности, преобразователя напряжения, блок обработки сигнала а также блок коммутации и выпрямителя. Теперь о каждом из них детальнее.
Усилитель мощности За основу взята статья А.Чивильча «Повышение мощности усилителя на микросхеме TDA7294» из журнала РАДИО №11 2005г., поскольку усилитель не один раз был испытан мной и отмечался достаточно большой надежностью, большой выходной мощностью, качественным басом. Схема усилителя приведена ниж. От оригинала отличается лишь заменой выходных транзисторов на более качественные импортные.

Не буду углубляться в принцип работы схемы, об этом более детально можно прочитать в оригинале статьи. Расскажу лишь принципиальные закономерности составления схемы. Собрана она на плате размерами 125х70мм. Все не электролитические конденсаторы, кроме С2, плёночные, входной емкостью 1мкф, можно 2.2мкф. Резисторы 0.25Вт, хотя достаточно и 0.125Вт. Выходные транзисторы загнуты и прижаты к плате так, что их корпуса расположены параллельно плате а их теплоотводная часть промазана термопастой и через диэлектрическую пленку прижатая к радиатору. То есть корпуса транзисторов изолированы один от другого и от радиатора. Катушка индуктивности L1 бескаркасная, намотанная проводом диаметром 1мм в два слоя и содержит 25 витков, внутренний диаметр 5мм. Предохранители перенесены на плату выпрямителя.


Преобразователь напряжения Чаще всего именно через сложность этого блока большинство начинающих радиолюбителей отказываются собирать в авто усилители из двух полярным питанием. Действительно, этот блок является самой тяжелой частью данного усилителя, хотя не все так сложно как кажется, потому попробую более детально рассказать именно об этом блоке. И так, схема преобразователя приведена ниже.

Сердцем преобразователя является генератор импульсов построенный на микросхеме TL494. Частота генерации можно изменить варьируя номиналом резистора R3. При желании можно скатить даташит и более детально узнать о работе микросхемы. Мускулами блока питания естественно являются полевые транзисторы IRFZ44N. Все резисторы (кроме R4, R9, R10) 0,25Вт, можно даже 0,125Вт. R9, R10 – 2Вт, R4 – можно даже 1Вт (в меня вообще 0,5Вт). Диод VD1 на входе поставлен для защиты от переплюсовки, я его исключил. Дроссель L1 в моем случае намотан на феритовом кольце диаметром около 2см из компьютерного блока питания. Он содержит 10 витков сдвоенным проводом диаметром 0,8мм которые распределены по всему кольцу. Этот дроссель также можно намотать на феритовом стержне диаметром 8-10мм и длиной 2-3см. Наверно самым тяжелым в преобразователе является правильное изготовление трансформатора, поскольку от него сильно зависит роботоспособность блока в целом. Мой транс намотан на феритовом кольце марки 2000НМ размерами 40*25*11. Сначала напильником закруглил все грани, и внешние и внутренние и обмотал его полотняной изолентой. Первичная обмотка намотана жгутом который состоит из 5 жил толщиной 0,7мм и содержит 2*6 витков, то есть 12. Мотается она так: берем одну жилу и мотаем ею 6 витков равномерно распределенных по кольцу, потом следующую мотаем вплотну к первой и так все 5 жил. На выводах жилы скручюются. Потом на свободной от проводов части кольца начинаем мотать вторую половину первичной обмотки таким же образом. Получаем две равноценных обмотки. После этого опять аккуратно ообматываем кольцо изолентой и мотаем вторичную обмотку. Я мотал ее проводом 1,5мм 2*18 витков так же как и первичку. Готовый транс опять обмотал изолентой. Вот с трансом и завершено! К сожалению не сфотографировал процесс изготовления. Фото кунструкции ниже. На фото резисторы R9, R10 1Вт, потом заменил на импортные 2Вт.

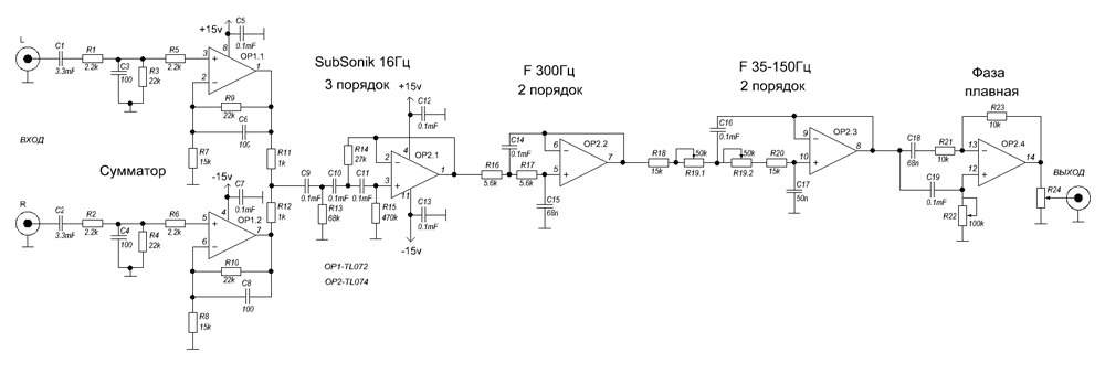
Блок обработки сигнала Поскольку усилитель для сабвуфера, сигнал который на него поступает нужно сначала обработать, вырезав только НЧ составляющие звукового сигнала. Схема устройства приведена ниже.

Поскольку саб один, то он должен воспроизводить НЧ составляющие из обоих стереоканалов, потому на входе стоит сумматор, который суммирует сигналы обоих каналов в один единственный. После этого сигнал фильтруется, отрезаються частоты ниже чем 16Гц и выше чем 300Гц. Потом регулирующий фильтр, который обрезает сигнал от 35Гц к 150Гц. И на выходе плавный регулятор фазы для лучшего согласования саба с акустикой и регулятор громкости. Все детали смонтированы на плате размерами 80х55мм. Резисторы 0,125Вт, конденсаторы в основном керамические, несколько плёночних в сигнальных цепях.

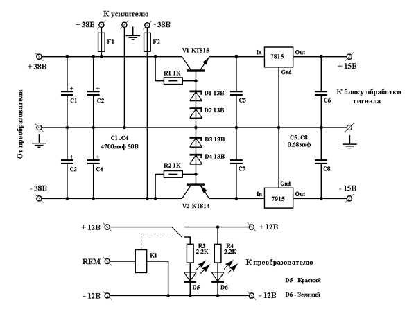
Блок коммутации и выпрямителя Блок состоит из двух отделенных частей, блока коммутации, и блока выпрямителя, в который входят фильтрующие конденсаторы для питания усилителя мощности и стабилизатор напряжения для питания блока обработки сигнала. В блоке выпрямителя все просто. Напряжение от преобразователя попадает на фильтрующие конденсаторы, сглаживается и идет к усилителю мощности, а также на стабилизатор напряжения. Транзисторы понижают напряжение к +-26В после чего кренки стабилизируют его до 15. Нагревание транзисторов или кренок я не наблюдал, потому на радиатор не ставил. Блок коммутации работает следующим образом: когда на крайные по схеме клеммы подается напряжение 12В (силовые линии) зажигаеться красный светодиод, напряжение на преобразователь напряжения не поступает, усилитель не использует энергию. Когда от внешнего источника (от автомагнитолы или замка) подается +12В на клемму REM срабатывает реле, отключая красный диод, при этом подается напряжение на преобразователь и загорается зеленый светодиод, усилитель готов к работе. Реле на 12В, что выдерживает на клеммах ключей ток в 30А, резисторы 0,125Вт.


Корпус и конструкция Корпус имеет размеры 270х200х70. Основа сделана из ламинируемого МДФ толщиной 8мм, боковые стенки из ДСП 16, они обшиты карпетом. Передняя и задняя панели – алюминиевые пластины толщиной 3мм На передней панели сделаны 3 отверстия через которые отверткой можно крутить регуляторы громкости, фазы и частоты среза, а также два светодиода. На задней панели находятся все разъемы, входы, выход и зажимы для подаче напряжения и клема REM, все они, кроме входных, хорошо изолированны от пластины. Верхняя крышка – пластиковая решетка, по моему от акустической системы Аккорд. Все платы крепятся к нижней панели корпуса, кроме блока обработки сигнала, в котором переменные резисторы закрепляются дополнительно на алюминиевую пластинку. Микросхема TDA7294 и транзисторы из преобразователя напряжения смонтированы на одном Г-образном радиатое, что крепится к боковой панели. Транзисторы и микросхема изолированы от радиатора. В корпусе также находится не большой куллер. Сначала его не планировалось устанавливать но потом все же поставил. Как оказался его достаточно, чтобы гонять воздух в корпусе, даже после двух часов работы, радиаторы едва теплые (однако это зимой)


Скачать печатные платы в формате LAY можно здесь Автор: Корчинский Александр E-Mail: Sashakorch [собака] mail.ru
|